- DACELLUS-5N韩国Dacell 大拿称重传感器
详细信息
品牌:DACELL 加工定制:否 型号:US-5N 制作工艺:集成 输出信号:模拟型 材料:金属 材料物理性质:导体 材料晶体结构:多晶 防护等级:- 线性度:- %F.S 迟滞:- %F.S 重复性:- %F.S 灵敏度:- 分辨率:- 韩国Dacell US-5N大拿称重传感器 英文名称:韩国Dacell load cell
中文名称:韩国大拿 称重传感器
产品型号:US-5N称重传感器
产品价格:在线询价
韩国Dacell US-5N产品技术参数参数 单位 值 额定量程 Kg 5N{500 gf} to 19.61 N{2 kgf} 灵敏度 mv/v 1.2 -1.5mV/V 非线性 %R.O
0.2%
滞后 %R.O 0.2% 重复性 %R.O 0.2%
零点平衡 %R.O ±0.2% 灵敏度温漂 %Load/ ˚C ≤0.5% LOAD/10°C 零点温漂 %R.O./ ˚C ≤0.5% R.O./10°C 工作温度范围 °C -10 to + 50 温度补偿范围 °C -10 to + 50 输入阻抗 Ohms 350 ± 40 输出阻抗 Ohms 350 ± 40 绝缘阻抗 Mega-Ohms 1000 M ohm 推荐激励电压 VDC/VAC 5V 安全过载 % 150% 导线长度 m Ø 3,2m
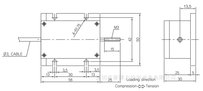
韩国Dacell US-5N产品尺寸图: -
扫一扫,手机浏览














