- UtilcellMOD750-15t西班牙 称重传感器
详细信息
品牌:Utilcell 加工定制:否 型号:MOD750-15t 制作工艺:集成 输出信号:模拟型 材料:金属 材料物理性质:导体 材料晶体结构:多晶 防护等级:- 线性度:- %F.S 迟滞:- %F.S 重复性:- %F.S 灵敏度:- 分辨率:- 西班牙Utilcell MOD750-15t称重传感器 英文名称:西班牙Utilcell load cell
中文名称:西班牙尤梯尔称重传感器
产品型号:MOD750-15t称重传感器
产品价格:在线询价
产品特性:- 双剪切称重传感器
- 合金钢材质,表面镀镍
- 750i型号为全不锈钢
- 防护等级IP67(DIN 40050)
- 通过OIML R60 3000d认证
- 热销型号:7.5,10,15,20,25,30T
- 应用在灌装, 筒仓和车辆称重系统,具有高线性和低平台的要求
西班牙Utilcell MOD750产品技术参数:参数 单位 值 额定量程 T 7.5,10,15,20,25,30 精度等级 OIML 3000 *小静态称量 %Ln 0%Ln 安全过载 %Ln 150% 极限过载 %Ln 200% 总误差 %Sn
<±0.017%Sn 重复性 %Sn <±0.015%Sn 灵敏度温度系度 %Sn/5K <±0.01%Sn/5K 零点温度系数 %Sn/5K <±0.006%Sn/5K 蠕变误差(30分钟) %Sn <±0.016%Sn 温度补偿范围 °C -10 to + 40 工作温度范围 °C -20 to + 70 灵敏度 mv/v 2.0±0.1% 推荐激励电压 V 10 *大激励电压 V 15 输入阻抗 Ohms 800 ± 25 输出阻抗 Ohms 700 ± 3 零点输出 %Sn <±2%Sn 绝缘阻抗 Mega-Ohms >5000 M ohm *大偏差 mm 0.3mm
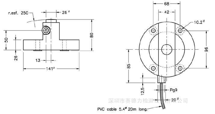
西班牙Utilcell MOD750产品尺寸图: Utilcell MOD750称重传感器所有型号:
MOD750-7.5t
MOD750-10t
MOD750-15t
MOD750-20t
MOD750-25t
MOD750-30t -
扫一扫,手机浏览

















