- 新西兰PTASB/AST低成本剪切梁和S型称重传感器
详细信息
品牌:新西兰PT 加工定制:否 型号:ASB/AST LOW COST SHEARBEAM & S 制作工艺:- 输出信号:模拟型 材料:金属 材料物理性质:- 材料晶体结构:- 防护等级:IP67 线性度:- %F.S 迟滞:- %F.S 重复性:- %F.S 灵敏度:- 分辨率:- - Marine grade anodised
- Robust construction
- Full range of mounting accessories
- Most competively priced
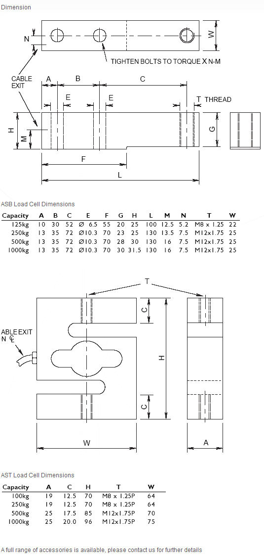
- Wide capacity range from 100kg to 1000kg for the AST 125kg to 1000kg for the ASB
- Simple installation
- Suitable for most installations
- Ideal for agricultural use
- 3 year warranty
- Sealed to IP67 standards
- ISO 9001 certified manufacturing facilities
-
扫一扫,手机浏览














