- microsensorI2C数字压力传感器芯体MPM258型
详细信息
品牌:microsensor 加工定制:是 型号:MPM258型 类型:- 测量范围:- kpa 测量介质:- 精度等级:- 输出信号:- Ma 防爆等级:- 电源电压:- v 接口尺寸:- mm MPM258型I²C数字压力传感器芯体
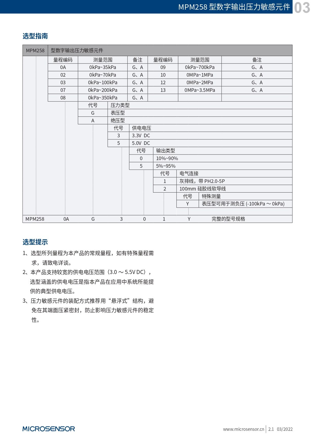
在线选型支持,联系客服可定制产品测量范围:-100kPa…0 ~ 35kPa…3.5MPa
经济型、小体积
具有表压、绝压形式
双 24 位 ADC 分别用于压力和温度采集
标准 I²C 通讯协议
提供专用的功耗控制引脚
Φ19mm 标准 OEM 压力敏感元件
全不锈钢 316L 材质
根据国标GB/T7666的要求,麦克传感开发生产的传感器芯体系列产品,标准名为压阻式压力敏感元件,商品名称为压力传感器充(注)油芯体。
MPM258型I²C数字压力敏感元件是批量化生产条件下,为用户提供的一款数字I²C 输出的压力敏感元件,产品的外形、装配尺寸及密封方式与国外及本公司主流同类产品相一致,有很好的互换性,基于本公司工艺成熟的压力芯体生产工艺,且数字处理部分使用具有双路 24 位 ADC 的压力敏感元件专用调理芯片,使得产品性能稳定可靠,产品对外提供低功耗控制引脚, 工作模式控制不仅方便精确,而且还兼具组网功能(片选信号),低功耗模式下本产品供电电流≤ 100nA,非常适用于对功耗要求较为敏感的场合下的压力检测。
-
扫一扫,手机浏览















