- microsensor压力传感器芯体MPM281VC型
详细信息
品牌:microsensor 加工定制:是 型号:MPM281VC型 类型:- 测量范围:- kpa 测量介质:- 精度等级:- 输出信号:- Ma 防爆等级:- 电源电压:- v 接口尺寸:- mm MPM281VC型压力传感器芯体
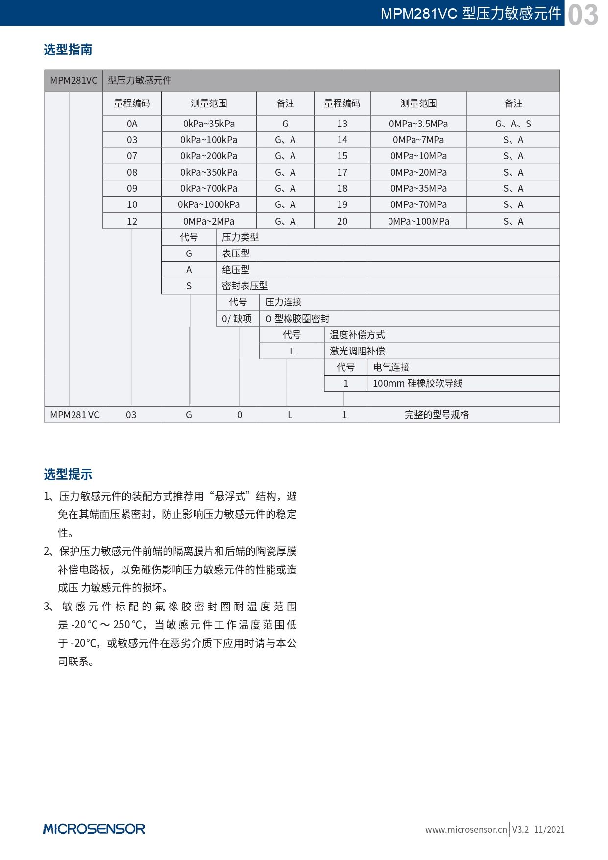
在线选型支持,联系客服可定制产品测量范围:0kPa~35kPa…100MPa
具有表压、绝压和密封表压形式
恒流、恒压供电可选、标准输出
进口芯片,激光调阻补偿
隔离式结构,适用于多种流体介质
Φ19mm 压力敏感元件
全不锈钢 316L 材质
根据国标GB/T7666的要求,麦克传感开发生产的传感器芯体系列产品,标准名为压阻式压力敏感元件,商品名称为压力传感器充(注)油芯体。
MPM281VC是一款恒压供电、标准输出的压力敏感元件,产品的装配尺寸及密封方式与国外及本公司主流同类产品相一致,广泛应用于与不锈钢及氟橡胶相兼容介质的压力检测,可满足一些安装空间有限的场合。
-
扫一扫,手机浏览















