- microsensor差压变送器MDM4901FL型
详细信息
品牌:microsensor 型号:MDM4901FL型 加工定制:是 类型:微差压变送器 测量范围:- kPa 测量介质:- 精度等级:- 输出信号:- mA 电源电压:- V 工作温度:- ℃ MDM4901FL型差压变送器
在线选型支持,联系客服可定制产品全不锈钢结构设计,体积小巧重量轻,安装方便;
MDM4901FL是我公司研制的一款产品内部充灌Fluorinated®油,具有高精度、高稳定性和高安全等级的氧气测量专用差压变送器,被广泛应用于医疗和制药行业中,解决制氧设备和储氧罐的中气体压力的测量问题
激光焊接,全密封结构,外壳防护等级IP65;
传感器为扩散硅压阻式差压传感器,不锈钢 316L 隔离膜片;
经过了温度补偿和老化筛选,性能稳定可靠;
产品可在外部调节零点和满度;
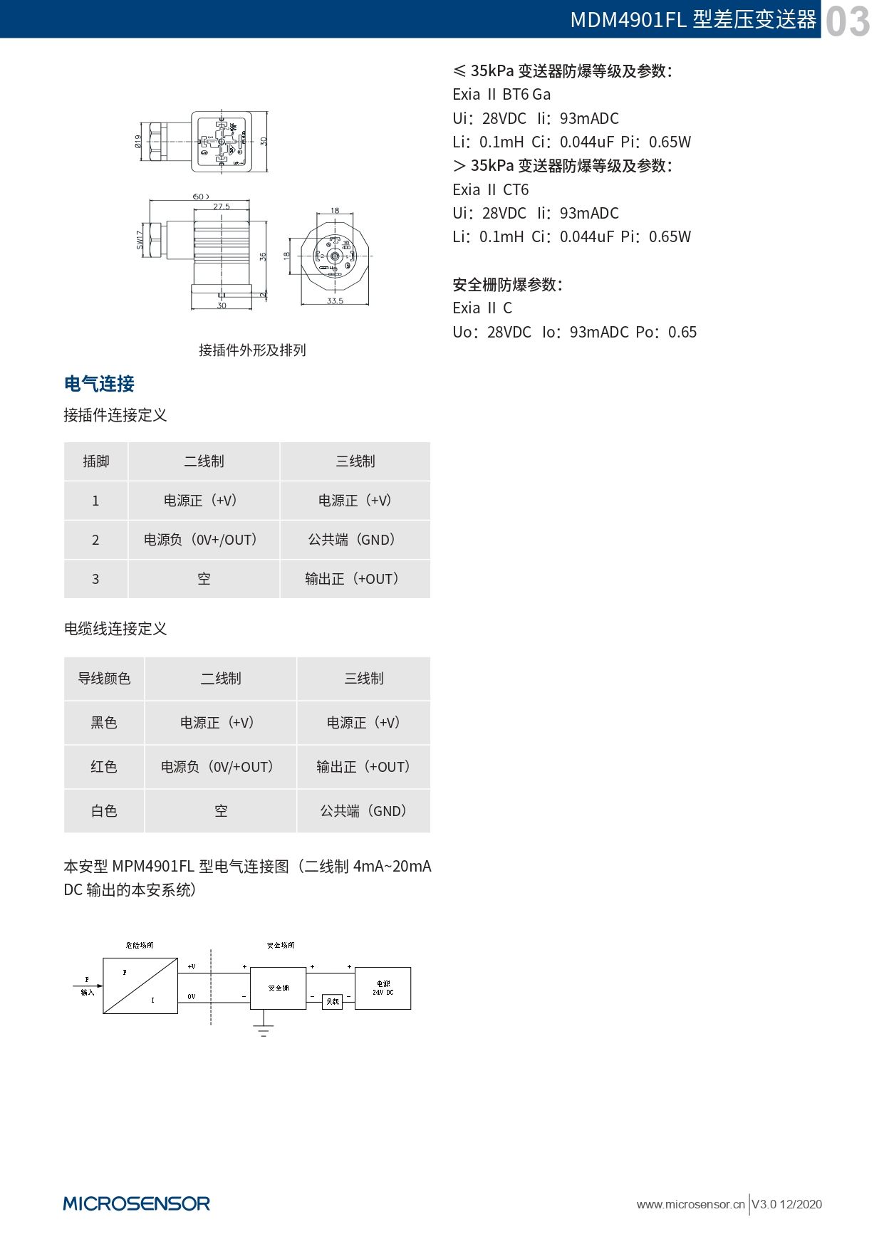
防爆型产品符合 GB3836.4 标准要求,取得防爆合格证;
产品已取得 CE 认证和 RoHS 认证。 -
扫一扫,手机浏览
















