- microsensor无线差压变送器MDM6861型
详细信息
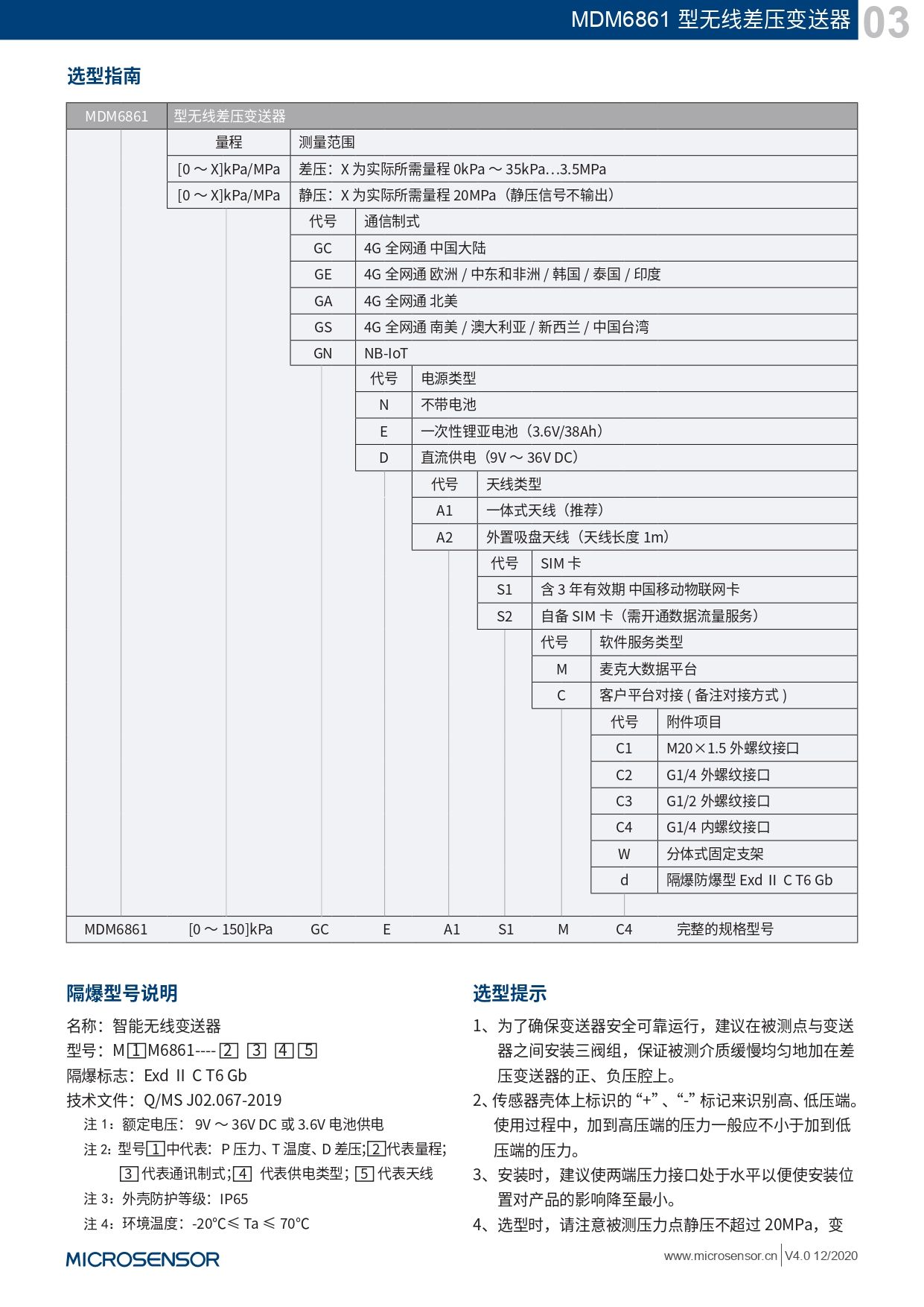
品牌:microsensor 型号:MDM6861型 加工定制:是 制作工艺:集成 输出信号:模拟型 材料:金属 材料物理性质:导体 材料晶体结构:单晶 防护等级:- 线性度:- %F.S 迟滞:- %F.S 重复性:- %F.S 灵敏度:- 分辨率:- MDM6861型无线差压变送器
在线选型支持,联系客服可定制产品NB-IoT/4G,适用不同场景
一体式高能锂电,使用寿命2年以上
采样/发送频次等参量,远程配置
开放数据库、通信协议,提供接口文件
防爆设计,适用于防爆场所
MDM6861型无线差压变送器是一款低功耗、具有无线通讯功能的智能仪表,可选配NB-IoT/4G多种网络,仪表按照定时/告警上报,客户通过Web页面实现远程仪表配置和数据查阅,所有上传下发数据均自动存进数据库,便于工作人员后期查询。用户通过联网PC或移动终端登录相关网址即可获取仪表数据,并实现对采集数据的统计、分析,形成报表和数据曲线,具有直观、正确、高效的特点。本产品可检测大区域范围内的众多监测点实时数据,如石油、化工、电力、水文等需要无人值守、远程监测的领域等。 -
供应商的其他相关信息
查看更多
扫一扫,手机浏览
















