- TYSON压向称重传感器TS-MH20
详细信息
品牌:TYSON 加工定制:是 型号:TS-MH20 制作工艺:集成 输出信号:模拟型 材料:金属 材料物理性质:导体 防护等级:- 线性度:-- %F.S 迟滞:- %F.S 重复性:-- %F.S 灵敏度:- 分辨率:- 型号:TS-MHS25.4
类目:测力传感器
关键词:扭扣式传感器,微型传感器,压力传感器,压装用传感器,防水传感器,小空间用传感器,试验机传感器,挤压力传感器,微型测力传感器,螺钉张力传感器,机器人手抓力传感器,手感度测试仪传感器,冷热压机传感器,医疗床测力传感器,投料站称重系统,称重检测系统,称重床传感器,轮辐式传感器,自动化设备配件,微型压力传感器,测力传感器,拉压双向传感器,拉压式传感器,拉力传感器,拔插力传感器,小柱式传感器,贴膜机传感器,焊接机测试仪传感器,铆钉机压力测试,拉压双向结构测力传感器。
产品标题:拉压双向结构测力传感器TS-MHS25.4
以下为产品描述
特点及应用:
高度低,变形量小
不锈钢材料
拉压双向
主要用于推、拉力计,料斗秤,各种工业称重系统等
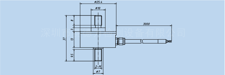
量程及尺寸:
技术参数/Technical Parameters量程/CAP(Kg) M 重量/Weight 5/10/15/20/30/50 M5 0.1Kg 60/100/200 M6 量程 50/100/200/300/500/1K/2K/5K/ 10K/20K N 额定输出 1.5 mV/V 零点输出 ±2 %R.O. 非线性 0.5 %R.O. 滞后性 0.25 %R.O 重复性 0.25 %R.O 补偿温度范围 -10~+70 ℃ 工作温度范围 -20~+80 ℃ 零点温度漂移 0.01 %R.O./℃ 温度灵敏度飘移 0.01 %R.O./℃ 输入端子间阻抗 350±5 Ω 输出端子间阻抗 350±5 Ω 允许负载 120% %R.O. 极限负载 150% %R.O. 推荐激励电压 5-10 VDC 允许激励电压 15 VDC 绝缘阻抗 ≥5000 MΩ/100VDC 防护等级 IP66 材质 不锈钢 Stainless Steel 电缆尺寸 Φ2x3000 mm 接线方式 输入 Input: [红正 Red(+) 黑负 Black(-)]
输出 Output: [绿正 Green(+) 白负 Black(-)]
-
扫一扫,手机浏览















