- TYSON轮辐式压向力传感器TS-HS80-4M
详细信息
品牌:TYSON 加工定制:是 型号:TS-HS80-4M 制作工艺:集成 输出信号:模拟型 材料:金属 材料物理性质:导体 材料晶体结构:单晶 防护等级:- 线性度:-- %F.S 迟滞:- %F.S 重复性:-- %F.S 灵敏度:- 分辨率:- 型号:TS-HS80-4M
类目:测力传感器
关键词:扭扣式传感器,微型传感器,压力传感器,压装用传感器,防水传感器,小空间用传感器,试验机传感器,挤压力传感器,微型测力传感器,螺钉张力传感器,机器人手抓力传感器,手感度测试仪传感器,冷热压机传感器,医疗床测力传感器,投料站称重系统,称重检测系统,称重床传感器,轮辐式传感器,自动化设备配件,微型压力传感器,测力传感器,拉压双向传感器,拉压式传感器,拉力传感器,拔插力传感器,小柱式传感器,贴膜机传感器,焊接机测试仪传感器,铆钉机压力测试,拉压双向结构测力传感器,冲压机测力传感器。
产品标题:轮辐式压向力传感器TS-HS80-4M
特点及应用:
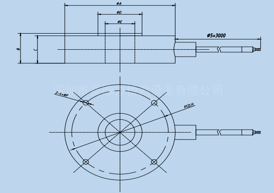
该传感器采用轮幅式弹性体,具有低外形、抗偏载、精度高、强度好等特点。广泛用于工业系统中力的测量和试验机、天车称、轨道衡、料斗称等各种电子自动称量系统中。
量程及尺寸:
量程/CAP(N) ∅A B C ∅D ∅E ∅F H 500 40 20 18 11 8 2.6 33 1K 40 20 18 11 8 2.6 33 2K 40 20 18 11 8 2.6 33 5K 40 20 18 11 8 2.6 33 10K 80 25 23 32 21.5 4.05 70 20K 80 25 23 32 21.5 4.05 70 50K 80 25 23 32 21.5 4.05 70
技术参数/Technical Parameters量程 500-500K N 额定输出 1.5±10% mV/V 零点输出 ±2 %R.O. 非线性 0.5 %R.O. 滞后性 0.1 %R.O 重复性 0.1 %R.O 补偿温度范围 -10~+60 ℃ 工作温度范围 -20~+80 ℃ 零点温度漂移 0.01 %R.O./℃ 温度灵敏度飘移 0.01 %R.O./℃ 输入端子间阻抗 475±5 Ω 输出端子间阻抗 350±5 Ω 允许负载 120% %R.O. 极限负载 150% %R.O. 推荐激励电压 5-10 VDC 允许激励电压 15 VDC 绝缘阻抗 ≥5000 MΩ/100VDC 防护等级 IP63 材质 不锈钢 Stainless Steel 电缆尺寸 Φ5x3000 mm 接线方式 输入 Input: [红正 Red(+) 黑负 Black(-)]
输出 Output: [绿正 Green(+) 白负 Black(-)]
-
扫一扫,手机浏览

















